





一、熱泵(MVR)蒸發器介紹
MVR(MechanicalVaporRe-compression)— 機械蒸汽再壓縮,是指將蒸發過程的二次蒸汽(溫度低、壓力低無法直接利用)用壓縮機進行壓縮,提高其溫度、壓力,重新作為熱源加熱需要被蒸發的物料,從而達到蒸汽循環利用的目的,即用少量的電能獲得較高品位的熱能,減少系統對外界能源的需求。
MVR的主要設備是壓縮機,市場主流壓縮機為三類:離心式壓縮機、羅茨式壓縮機和螺桿式壓縮機。
| 離心式壓縮機 | 螺桿式壓縮機 | 羅茨式壓縮機 |
| ![]() | ![]() |

二、應用領域:
1. 有機溶劑蒸發、精餾。
2.飲料工業(牛奶、果汁、乳清、糖溶液的蒸發濃縮);
3.食品、添加劑工業(味精、大豆、蛋白質乳液蒸發濃縮);
4.制藥及生物工程(中藥、維生素,氨基酸、檸檬酸等);
5.化學工業(蒸發濃縮、結晶、分離提純);
6.廢水處理(含鹽廢水、含重金屬廢水等);


三、熱泵精餾、蒸發系統與傳統精餾、蒸發相比具有以下優點:
低能耗、低運行費用;從理論上來看,使用熱泵精餾蒸發系統比傳統精餾蒸發器節能75%以上的能源;實際使用中熱泵精餾蒸發系統的運行成本只有傳統的50%以下(當物料不同時,能耗有所改變);
僅需少量冷卻水,可以節省90%以上的冷卻水,公用工程配套少。
清潔能源潔凈環保。熱泵精餾、蒸發系統以電為主,采用工業電源,沒有二氧化碳排放問題。
采用單級真空蒸發,蒸發溫度低,特別適合熱敏性較強的物料,不易使物料變性。采用低溫負壓蒸發,有利于防止被蒸發物料的高溫變性。可以在50℃下蒸發而無需冷凍設備。


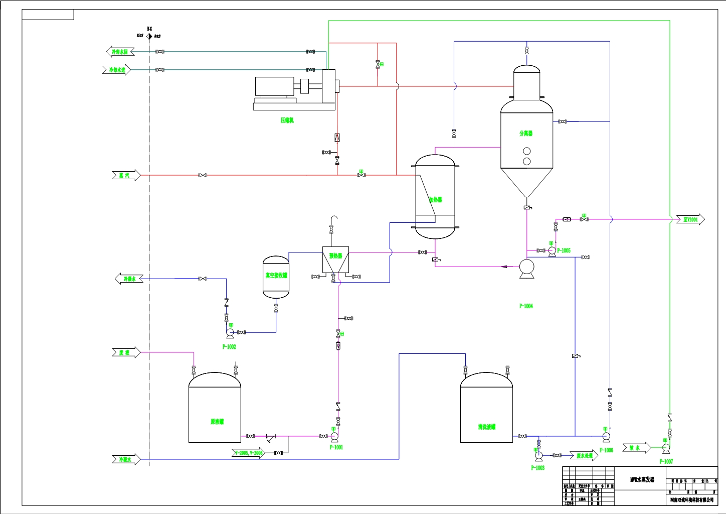
四、熱泵 直接蒸發水工藝流程簡述:
Ⅰ、物料流程:原液→螺旋板式預熱器→列板式加熱器→分離室→母液;
Ⅱ、熱源流程:加熱器→分離器中的二次蒸汽→離心蒸汽壓縮機增加壓力和溫度→再至加熱器。
Ⅲ、冷凝水流程:加熱器→螺旋板式預熱器→冷凝水罐→排出系統。
IV、清洗液流程:清洗液儲罐→列板加熱器/分離室→清洗液儲罐/外排

五、熱泵直接蒸發有機溶劑工藝流程簡述:
Ⅰ、有機溶液流程:原液→螺旋板式預熱器→加熱器→分離室→蒸汽發生器→螺旋板式預熱器→有機溶液中間罐→排出系統。
Ⅱ、熱源流程:加熱器→分離室中的二次蒸汽→離心蒸汽壓縮機增加壓力和溫度→再至加熱器。
Ⅲ、清洗液流程:清洗液儲罐→列板加熱器/分離室→清洗液儲罐/外排

六、熱泵乙醇精餾工藝流程簡述:
Ⅰ、物料流程:原液→預熱器→加熱器→精餾塔→氣相從塔頂進入離心蒸汽壓縮機增加壓力和溫度→加熱器→回流罐→出有機溶劑;精餾塔→塔底母液→循環泵出母液。
Ⅱ、熱源流程:。精餾塔→氣相從塔頂進入離心蒸汽壓縮機增加壓力和溫度→加熱器→回流罐蒸汽→輔助加熱器→精餾塔塔釜
